发布时间:2018-05-05 14:02:10 人气:
一、TCN-61A外形图片

二、TCN-61A功能特点
◎72H×72W,6位或4位计数
◎具有R、N、C、F预置功能;
◎优质拨码设定数据,使用寿命更长:
◎停电记忆功能测量准确易读,抗干扰能力强
◎继电器报警输出。
三、TCN-61A选型
TCN -口口口 A-序号
1:1段 2:2段
4:四位 6:六位
S:比率 无S:不带倍率
TCN系列
四、TCN-61A选型可参考以下图

五、TCN-61A技术参数
|
计数脉冲 |
输入阻抗 |
min.100KΩ |
|
门限电压 |
H≥5V L≤lV |
|
|
极限电压 |
50V |
|
|
触发沿 |
下降沿 |
|
|
继电器输出 |
输出方式 |
R、N、C、F |
|
输出周期 |
0S-999S |
|
|
触电负载 |
250VAC .3A |
|
|
工作电源 |
AC220V±10%(50Hz) |
|
|
绝缘电阻 |
min l00MΩ |
|
|
抗干扰能力 |
IEC 801 3 · 3G |
|
|
工作温度 |
0℃~+50℃ |
|
|
储存温度 |
-20℃~+70℃ |
|
|
计数速度 |
20PCS、200PCS、3000PCS、10000PCS |
|
六、TCN-61A参数设定

密码锁:当输入“61”时自动进入下一参数设定。

继电器输出延时时间(0-999S)。

继电器输出方式(0-R式,1-N方式,2-C式,3F方式)

计数速度(0-20CPS,l-200CPS,2-2000CPS,3-10000CPS)

计数比率(0.000l-99.9999) 不带倍率者无此菜单

小数点设定(0-4) 不带倍率者无此菜单

计数值存储设定0表示不存储,1—表示存储)

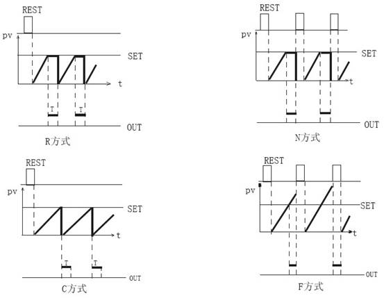
七、TCN-61A输出方式图

注: “REST”为外部复位信号、 “PV”为显示值、“SET”为拔码设定值(即继电器报警值)、“OUT”为继电输出、“T”为输出时间;
八、TCN-61A输出方式说明
R-方式 当计数过程显示值达到设定值继电器输出,延时“T”时问后,继电器复归,计数值同时复零,重新开始计数。
N-方式 当计数过程显示值达到设定值继电器输出,计数值保持不变,直到手动或外部信号复位,继电器复归,计数值清零,重新开始计数。
C-方式 当计数过程显示值达到设定值继电器输出,同时计数值立即清零,延时T时间后,继电器自动复位。
F-方式 当计数过程显示值达到设定值继电器输出,计数值继续上升,直到手动或外部信号复位,继电器复归,计数值清零,重新开始计数。
九、TCN-61A外型尺寸及安装尺寸

十、TCN-61A端子连接图

十一、TCN-61A注意事项
1.信号输入导线不宜过长,用屏蔽线连接较好。
2.仪表避免在有腐蚀性易燃物质灰尘大振动强和强干扰源的环境里工作。
订购热线:唐先生 13922952859 QQ:1846059898